当前位置:
政府信息公开
>
政府信息公开
>
政府信息公开年度报告
>
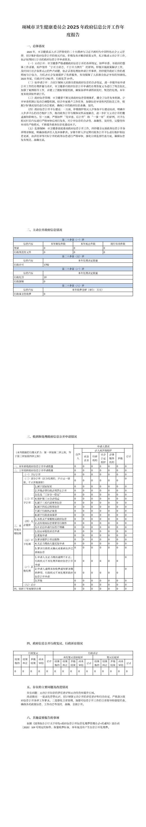
项城市卫生健康委员会2025年政府信息公开工作年度报告
来源: 项城市人民政府
时间: 2026-01-29 16:39:58
访问量:
0
字体大小[
大
中
小
]
打印
分享:
责任编辑:xcs